SS UCPPL 208 - IBB rvs zwart kunststof lagerblok 40 mm

Artikelnummer: 995.00978
IBB
SS UCPPL 208 - IBB rvs zwart kunststof lagerblok 40 mm SS UCPPL 208 afmetingen tekening vooraanzicht SS UCPPL 208 afmetingen tekening doorsnede
SS UCPPL 208 - IBB rvs zwart kunststof lagerblok 40 mm
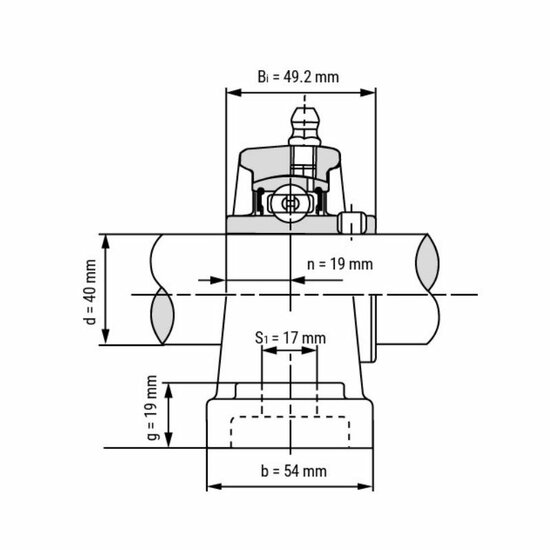
SS UCPPL 208 afmetingen tekening vooraanzicht
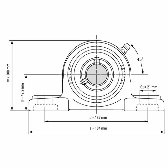
SS UCPPL 208 afmetingen tekening doorsnede

Staand rvs zwart thermoplastic lagerblok SS UCPPL208

42,02
per stuk (excl. btw)
Op voorraad Levertijd: 1 dag
  • Minimale orderwaarde 50,- excl.
  • Voor 16:00 besteld, vandaag verzonden
  • Gratis verzending vanaf 75,- excl.
  • Bestellen op rekening mogelijk
Heeft u een vraag over dit product?

Via onderstaande opties kun je contact met ons opnemen en je vraag stellen.

Bel ons

Omschrijving

SS UCPPL 208 - IBB rvs lagerblok as 40 mm

Merk: IBB
Zwart kunststof staand lagerblok met 2 montagegaten (PPL 208 / TP 208 Black)
Het rvs inbouwlager (insert) heeft een verlengde binnenring met twee stelschroeven.
Rvs / Inox Inbouwlager = SUC 208

Ook bekend als; T UCP208  /  PPL208 SS  /  UCP208 SSK  
 

Asgatdiameter mm (d) 40
Lengte mm (a) 184
Boutgatafstand mm (e) 137
Montagegaten (S1 / S2) 14 x 18
Totale hoogte mm (w) 99
Ashoogte mm (h) 49.2
Breedte mm (b) 54
Gewicht (kg)
1.00

Korting vanaf 8 stuks, zie staffelprijzen of neem contact op voor een offerte.
Vanaf 30 stuks prijs op aanvraag.
  • Geschikt voor montage op vlakke oppervlakken en hoge radiale belastingen
  • De behuizing is van thermoplastisch kunststof en daardoor licht, hygiënisch, corrosiebestendig en voordelig
  • Statische uitlijningsfouten kunnen tot een hoek van 2° worden gecompenseerd
  • Het SS UC lager wordt met twee inbusbouten (M8) op de as bevestigd
  • Gesmeerd met Mobil FM 222: H1-geclassificeerd en is goedgekeurd voor gebruik in de voedingsindustrie
  • Gesmeerd voor de gehele levensduur: onder normale bedrijfsomstandigheden is nasmeren niet nodig

Specificaties

Merk
IBB
Type lagerblok
Staand lagerblok
Materiaal
Kunststof
Asdiameter mm (d)
40
Tolerantie voor binnen-Ø
0,021/0 mm
Ashoogte mm (h)
49.2
Lengte mm (a)
184
Boutgatafstand mm (e)
137
Breedte lagerhuis mm (b)
54
Montagegat breedte mm (S2)
18
Montagegat lengte mm (S1)
14
Voethoogte mm (g)
19,5
Totale hoogte mm (w)
99
Lager breedte mm (Bi)
42.9
Radiale breekbelasting (horizontaal)
13100 N
Radiale breekbelasting (verticaal)
11100 N
Axiale breekbelasting (langs de as)
8500 N
Stelschroeven
M10 (inbussleutel)
Smering
Voor zijn gehele levensduur gesmeerd.
Temperatuur
-20°C / +100°C
Gewicht
970 g
Neem contact op

Via onderstaande opties kun je contact met ons opnemen en je vraag stellen.