 
                     
                     
                     
                         
                         
                        Via onderstaande opties kun je contact met ons opnemen en je vraag stellen.
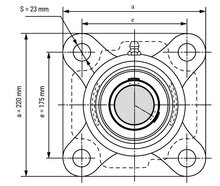
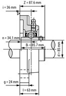
De UCF 217 is opgebouwd uit een vierkant lagerhuis van gietijzer met vier bevestigingsgaten en een UC217 insertlager met een boring van 85 mm. Dit flenslagerblok is bedoeld voor vlakke montage op robuuste constructies waar een stabiele ondersteuning van grote assen vereist is.
Het insertlager beschikt over een bolvormige buitenring die zorgt voor centrering in het huis en uitlijnfouten tot 2° opvangt. De verlengde binnenring is voorzien van twee stelschroeven voor een stevige asvergrendeling. Het lager is aan beide zijden afgedicht en gevuld met vet, met een smeernippel voor aanvullend onderhoud.
De massieve constructie van het huis, gecombineerd met de vierpuntsbevestiging, maakt de UCF 217 geschikt voor zware industriële toepassingen zoals grote transportsystemen, machines met hoge dynamische belasting en installaties waar langdurige betrouwbaarheid essentieel is.
Via onderstaande opties kun je contact met ons opnemen en je vraag stellen.