UCFL 209 - IBB flenslagerblok 45 mm

Artikelnummer: 995.01128
IBB
volume-korting
UCFL 209 - IBB flenslagerblok 45 mm UCFL 209 - IBB flenslagerblok 45 mm UCFL 209 - IBB flenslagerblok 45 mm
UCFL 209 - IBB flenslagerblok 45 mm
UCFL 209 - IBB flenslagerblok 45 mm
UCFL 209 - IBB flenslagerblok 45 mm

Flenslager unit UCFL209 met twee stelschroeven

14,60
per stuk (excl. btw)
Op voorraad Levertijd: 2 a 3 dagen
Staffelprijzen
Aantal Prijs
1 € 14,60
50 € 12,51 14% Korting
100 € 10,43 29% Korting
  • Minimale orderwaarde € 50,- excl.
  • Voor 16:00 besteld = vandaag verzonden
  • Gratis verzending van € 75,00 excl. btw
  • Bestellen op rekening
Heeft u een vraag over dit product?

Via onderstaande opties kun je contact met ons opnemen en je vraag stellen.

Bel ons

Omschrijving

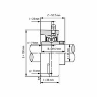
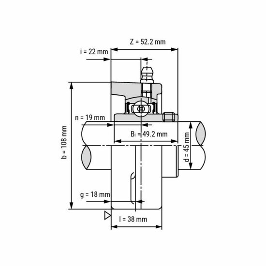
UCFL 209 is een ovaal flenslagerblok met twee bevestigingsgaten, opgebouwd uit een UC209 insertlager met een boring van 45 mm in een FL209 lagerhuis. Deze unit is geschikt voor vlakke montage op machinewanden of frames met beperkte ruimte of een twee-gats bevestiging.

Het gietijzeren huis heeft een compacte, stevige vorm die de krachten over twee boutpunten verdeelt. Het insertlager beschikt over een bolvormige buitenring die uitlijnfouten tot 2° binnen het huis opvangt. De verlengde binnenring met twee stelschroeven zorgt voor een zekere vergrendeling op de as, wat slippen tijdens bedrijf voorkomt.

Het lager is voorzien van dubbele lipafdichtingen en wordt geleverd met een basisvulling smeervet. Extra onderhoud is mogelijk via een smeernippel. De unit biedt een betrouwbare lagering voor middelzware toepassingen zoals transportsystemen, aandrijfeenheden of landbouwmachines waar beperkte bouwruimte of een twee gats bevestiging gewenst is.

  • Equivalenten: FYTJ 45 TF, FYTB 45 TF, RCJTY45-XL, UCFLE209, SFT 45

Specificaties

Merk
IBB
Materiaal
Gietijzer
Asdiameter mm (d)
45
Lengte mm (a)
188
Boutgatafstand mm (e)
148 / Ø 16
Voethoogte mm (g)
18
Montagegaten mm (S)
19
Breedte mm (Z)
52,2
Totale breedte mm (Bi)
49.2
Stelschroeven
M8 (inbussleutel)
Smering
Voor zijn gehele levensduur gesmeerd.
Temperatuur
-20°C / +100°C
Gewicht
1900 g
Neem contact op

Via onderstaande opties kun je contact met ons opnemen en je vraag stellen.