UCFL 211 - IBB flenslagerblok 55 mm

Artikelnummer: 995.01130
IBB
UCFL 211 - IBB flenslagerblok 55 mm UCFL 211 - IBB flenslagerblok 55 mm UCFL 211 - IBB flenslagerblok 55 mm
UCFL 211 - IBB flenslagerblok 55 mm
UCFL 211 - IBB flenslagerblok 55 mm
UCFL 211 - IBB flenslagerblok 55 mm

Flenslager unit UCFL211 met twee stelschroeven

33,69
per stuk (excl. btw)
Levertijd: ca 3 a 4 dagen
  • Minimale orderwaarde € 50,- excl.
  • Voor 16:00 besteld = vandaag verzonden
  • Gratis verzending van € 75,00 excl. btw
  • Bestellen op rekening
Heeft u een vraag over dit product?

Via onderstaande opties kun je contact met ons opnemen en je vraag stellen.

Bel ons

Omschrijving

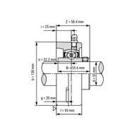
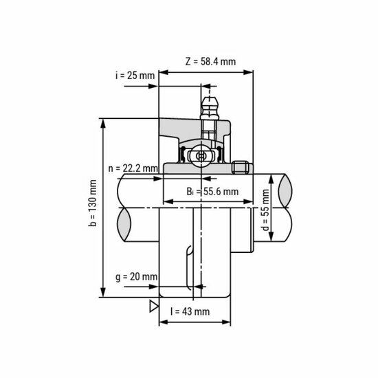
UCFL 211 is een ovaal flenslagerblok met twee montagegaten, opgebouwd uit een UC211 insertlager met een asgat van 55 mm in een FL211 lagerhuis. De unit is geschikt voor vlakke montage op wandconstructies waar een compacte en stabiele lagering vereist is.

Het FL211 huis is vervaardigd uit gietijzer en verdeelt de bevestigingskrachten efficiënt over twee boutpunten. Het UC-insertlager is voorzien van een bolvormige buitenring die statische uitlijnfouten tot 2° binnen het huis corrigeert. Voor een betrouwbare asfixatie beschikt de binnenring over twee stelschroeven.

De dubbele lipafdichtingen houden verontreinigingen buiten en zorgen dat het vet behouden blijft. Het lager is voorgesmeerd en kan via de geïntegreerde smeernippel nagesmeerd worden bij intensief gebruik. UCFL 211 is geschikt voor middelzware tot zware toepassingen zoals transportinstallaties, mechanische aandrijvingen en machinebouw met beperkte ruimte of een twee-gats montage voorkeur.

  • Equivalenten: FYTJ 55 TF, FYTB 55 TF, RCJTY55-XL, UCFLE211, SFT 55

Specificaties

Merk
IBB
Materiaal
Gietijzer
Asdiameter mm (d)
55
Lengte mm (a)
224
Boutgatafstand mm (e)
184 / Ø 16
Breedte lagerhuis mm (b)
130
Voethoogte mm (g)
20
Montagegaten mm (S)
19
Breedte mm (Z)
58,4
Totale breedte mm (Bi)
55,6
Stelschroeven
M10 (inbussleutel)
Smering
Voor zijn gehele levensduur gesmeerd.
Temperatuur
-20°C / +100°C
Gewicht
3200 g
Neem contact op

Via onderstaande opties kun je contact met ons opnemen en je vraag stellen.