UCFL 218 - IBB flenslagerblok 90 mm

Artikelnummer: 995.01135
IBB
UCFL 218 - IBB flenslagerblok 90 mm UCFL 218 - IBB flenslagerblok 90 mm UCFL 218 - IBB flenslagerblok 90 mm
UCFL 218 - IBB flenslagerblok 90 mm
UCFL 218 - IBB flenslagerblok 90 mm
UCFL 218 - IBB flenslagerblok 90 mm

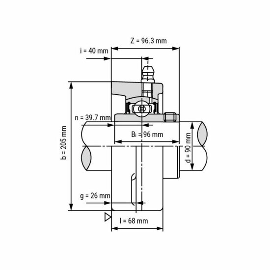
Flenslager unit UCFL218 met twee stelschroeven

116,19
per stuk (excl. btw)
Levertijd: Op aanvraag
  • Minimale orderwaarde € 50,- excl.
  • Voor 16:00 besteld = vandaag verzonden
  • Gratis verzending van € 75,00 excl. btw
  • Bestellen op rekening
Heeft u een vraag over dit product?

Via onderstaande opties kun je contact met ons opnemen en je vraag stellen.

Bel ons

Omschrijving

UCFL 218 is een flenslagerblok met twee ovale montagegaten, gecombineerd met een UC218 insertlager met een boring van 90 mm in een FL218 gietijzeren huis. Deze unit is geschikt voor vlakke bevestiging op zware constructies waar beperkte montageruimte beschikbaar is.

Het FL218 huis verdeelt de montagekrachten over twee bevestigingspunten en biedt structurele stevigheid bij hoge radiale belastingen. Het insertlager is voorzien van een bolvormige buitenring die statische uitlijnfouten tot 2° binnen het huis opvangt. De verbrede binnenring met twee stelschroeven zorgt voor een vaste asklemming, ook bij zware bedrijfsomstandigheden.

Het lager goed gesmeerd en voorzien van dubbele lipafdichtingen ter bescherming tegen vuil. Via de aanwezige smeernippel is periodiek onderhoud mogelijk. Het flenslager is geschikt voor toepassingen in zware industrie, grote transportsystemen of machinebouw waar betrouwbare werking en compacte montage vereist zijn.

  • Equivalenten: FYTJ 90 TF, FYTB 90 TF, RCJTY90-XL, UCFLE218, SFT 90

Specificaties

Merk
IBB
Materiaal
Gietijzer
Asdiameter mm (d)
90
Lengte mm (a)
320
Boutgatafstand mm (e)
265 / Ø 22
Breedte lagerhuis mm (b)
205
Voethoogte mm (g)
26
Montagegaten mm (S)
25
Breedte mm (Z)
96,3
Totale breedte mm (Bi)
96
Stelschroeven
M12
Smering
Voor zijn gehele levensduur gesmeerd.
Temperatuur
-20°C / +100°C
Gewicht
12,1 kg
Neem contact op

Via onderstaande opties kun je contact met ons opnemen en je vraag stellen.