UCP 202 - IBB lagerblok 15 mm

Artikelnummer: 995.00645
IBB
volume-korting
UCP 202 - IBB lagerblok 15 mm UCP 202 - IBB lagerblok 15 mm UCP 202 - IBB lagerblok 15 mm
UCP 202 - IBB lagerblok 15 mm
UCP 202 - IBB lagerblok 15 mm
UCP 202 - IBB lagerblok 15 mm

Gietijzer staand lagerblok UCP 202 met twee stelschroeven

6,09
per stuk (excl. btw)
Op voorraad Levertijd: 1 dag
Staffelprijzen
Aantal Prijs
1 € 6,09
100 € 5,22 14% Korting
250 € 4,35 29% Korting
  • Minimale orderwaarde € 50,- excl.
  • Voor 16:00 besteld = vandaag verzonden
  • Gratis verzending van € 75,00 excl. btw
  • Bestellen op rekening
Heeft u een vraag over dit product?

Via onderstaande opties kun je contact met ons opnemen en je vraag stellen.

Bel ons

Omschrijving

De UCP 202 is een compleet lagerunit met een UC202 insertlager boring 15 mm geplaatst in een P204 gietijzeren lagerhuis. Het blok is ontworpen voor bevestiging op vlakke oppervlakken via twee boutgaten in de voet. Het staande lagerblok is geschikt voor toepassingen waar een stabiele asondersteuning nodig is bij lichte tot gemiddelde belasting.

De bolle buitenring van het insertlager zorgt voor een zelfinstellende werking, waardoor het lager zich aanpast bij statische uitlijnfouten tot 2°. De verlengde binnenring is voorzien van twee stelschroeven waarmee het lager stevig aan de as wordt bevestigd. Het lager is goed gesmeerd en voorzien van dubbele afdichtingen om vuil te weren. Indien nodig kan extra vet worden toegevoegd via de geïntegreerde smeernippel.

De lagerunit is inzetbaar in diverse mechanische systemen, zoals lichte aandrijvingen, transportlijnen of werktuigbouwkundige installaties. De combinatie van robuuste behuizing en eenvoudig onderhoud maakt het blok betrouwbaar in dagelijks industrieel gebruik.

  • Equivalenten: FY 15 TF (SKF), RCJY15-XL-N (INA), SF15 (RHP), UCF202D1 (NTN)

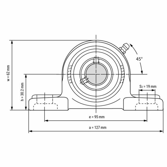
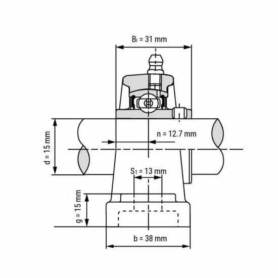
Specificaties

Type lagerblok
Staand lagerblok
Materiaal
Gietijzer
Asdiameter mm (d)
15
Ashoogte mm (h)
30.2
Lengte mm (a)
127
Boutgatafstand mm (e)
95
Breedte lagerhuis mm (b)
38
Montagegat breedte mm (S2)
19
Montagegat lengte mm (S1)
13
Voethoogte mm (g)
15
Totale hoogte mm (w)
62
Totale breedte mm (Bi)
31
Stelschroeven
M6 (inbussleutel)
Smering
Voor zijn gehele levensduur gesmeerd.
Temperatuur
-20°C / +100°C
Gewicht
680 g
Neem contact op

Via onderstaande opties kun je contact met ons opnemen en je vraag stellen.