 
                     
                     
                     
                         
                         
                        Via onderstaande opties kun je contact met ons opnemen en je vraag stellen.
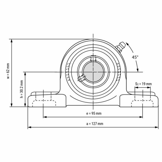
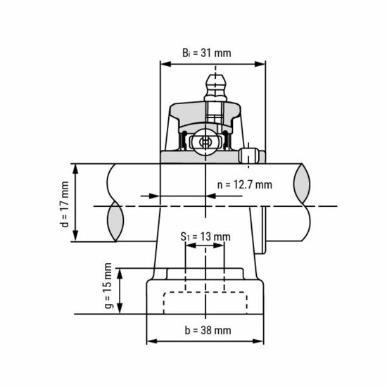
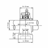
De UCP 203 is een staand lagerblok welke bestaat uit een UC203 insertlager met een boring van 17 mm, geplaatst in een P204 lagerhuis van gietijzer. De unit is geschikt voor voetmontage met twee bouten en biedt een stabiele ondersteuning voor assen in lichte tot middelzware toepassingen.
Het lager is zelfinstellend dankzij de bolvormige buitenring, waardoor geringe uitlijnfouten in de as automatisch worden opgevangen. De as wordt geborgd met twee stelschroeven op de verlengde binnenring, wat slippen voorkomt. Het geheel is dubbel afgedicht en gevuld met vet, geschikt voor direct gebruik. Nasmeren is mogelijk via de aanwezige smeernippel.
Door de compacte afmetingen en eenvoudige montage leent dit lagerblok zich goed voor gebruik in onder andere lichte transportsystemen, mechanische aandrijvingen en apparatuur waar betrouwbaarheid en onderhoudsgemak gewenst zijn.
Via onderstaande opties kun je contact met ons opnemen en je vraag stellen.