 
                     
                     
                     
                         
                         
                        Via onderstaande opties kun je contact met ons opnemen en je vraag stellen.
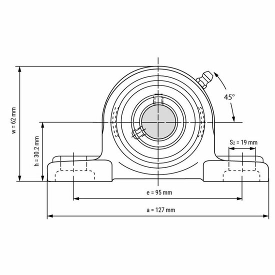
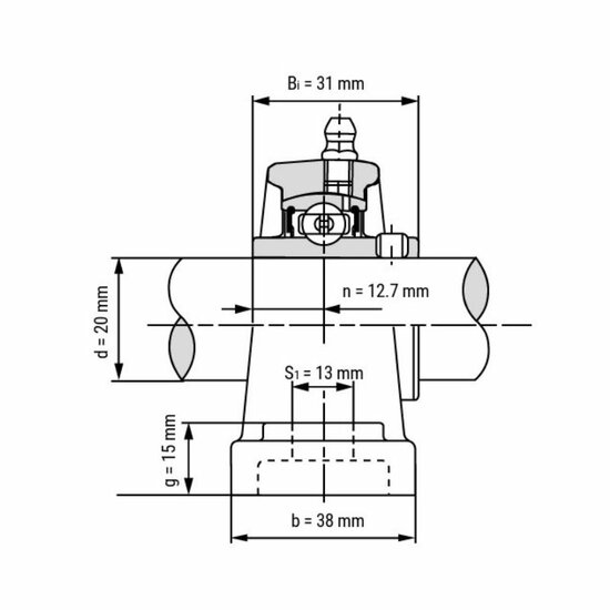
De UCP 204 is een staand lagerblok met een UC204 insertlager (boring 20 mm) gemonteerd in een P204 gietijzeren lagerhuis. De unit is voorzien van een voetconstructie met twee boutgaten voor stevige bevestiging op een vlakke ondergrond.
Het lager is uitgerust met een bolvormige buitenring die statische uitlijnfouten tot een hoek van twee graden binnen het huis opvangt. De binnenring is verlengd en voorzien van twee stelschroeven voor een goede as borging. Dubbele afdichtingen beschermen tegen verontreiniging en houden het smeervet op zijn plaats. Bij intensief gebruik kan via de ingebouwde smeernippel eenvoudig worden nagesmeerd.
De lagerunit is geschikt voor toepassingen zoals lichte industriële aandrijvingen, ventilatiesystemen of bewegende constructies. De combinatie van solide behuizing en zelfinstellend vermogen maakt dit type geschikt voor systemen waar bedrijfszekerheid en eenvoudige montage van belang zijn.
Via onderstaande opties kun je contact met ons opnemen en je vraag stellen.