 
                     
                     
                     
                         
                         
                        Via onderstaande opties kun je contact met ons opnemen en je vraag stellen.
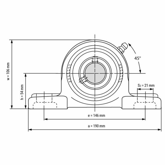
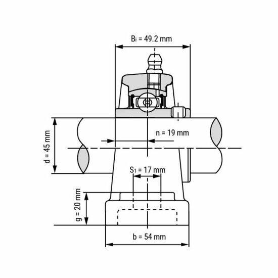
De UCP 209 is een staand lagerblok waarin een UC209 insertlager gemonteerd in een P209 gietijzeren lagerhuis. De unit is ontworpen voor voetmontage met twee boutgaten en biedt ondersteuning aan roterende assen.
Het lager kan kleine statische uitlijnfouten tot een hoek van twee graden corrigeren door de bolvormige buitenring van de insert. Dit voorkomt spanningen in de opstelling. De as wordt stevig vastgezet met twee stelschroeven op de verlengde binnenring. Dubbele afdichtingen beschermen tegen stof en vocht. Het lager is voorzien van smeervet en uitgerust met een smeernippel voor aanvullend onderhoud.
Deze uitvoering wordt toegepast in situaties waar robuustheid vereist is, zoals zware machineframes, aandrijfsystemen of transportapparatuur. De combinatie van zelfinstelling, stevige bevestiging en onderhoudsmogelijkheid maakt dit lagerblok geschikt voor intensieve inzet.
Via onderstaande opties kun je contact met ons opnemen en je vraag stellen.