 
                     
                     
                     
                         
                         
                        Via onderstaande opties kun je contact met ons opnemen en je vraag stellen.
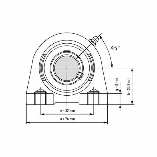
De UCPA 201 is een compact staand lagerblok met een UC201 insertlager asdiameter 12 mm in een verkort P204 huis. Door de smallere bouwvorm is dit lagerblok geschikt voor toepassingen met beperkte montageruimte. Het gietijzeren huis heeft twee getapte montagegaten, waardoor het van onderaf kan worden bevestigd.
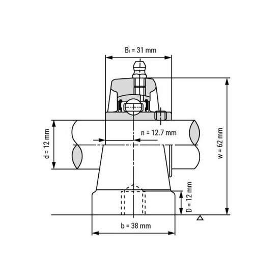
Het UC insertlager heeft een bolvormige buitenring die statische uitlijnfouten tot 2° opvangt. De verlengde binnenring met twee stelschroeven kan worden aangedraaid om de as vast te klemmen. De insert bevat dubbele afdichtingen en houd vuil buiten en het vet binnen.
Door de smeernippel kan het lager eenvoudig worden nagesmeerd bij intensief gebruik. De compacte constructie maakt dit lagerblok geschikt voor apparatenbouw, lichte transportlijnen en andere installaties waar ruimte beperkt is. Het biedt een betrouwbare ondersteuning voor assen.
Via onderstaande opties kun je contact met ons opnemen en je vraag stellen.