 
                     
                     
                     
                         
                         
                        Via onderstaande opties kun je contact met ons opnemen en je vraag stellen.
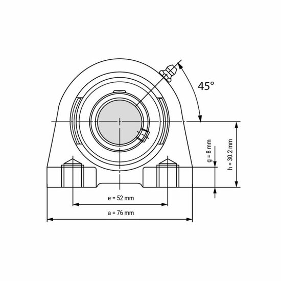
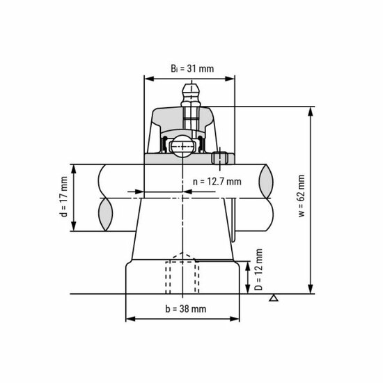
De UCPA 203 is een staand lagerblok met een UC203 insertlager asdiameter 17 mm, gemonteerd in een verkort P204 huis van gietijzer. Het compacte ontwerp maakt dit type geschikt voor situaties waarin een standaard UCP-blok te groot is, zoals in smalle machineframes of installaties met beperkte toegang van bovenaf.
Het lagerhuis bevat twee getapte gaten voor montage van onderaf, wat zorgt voor een vlakke bovenzijde en eenvoudige plaatsing in krappe ruimtes. De bolvormige buitenring van het insertlager maakt het mogelijk tot om statische uitlijnfouten tot een hoek van 2° op te vangen zonder extra belasting op de lagering.
De verlengde binnenring met dubbele stelschroeven zorgt voor vergrendeling op de as. De unit is afgedicht tegen stof en vuil en via de geïntegreerde smeernippel is nasmering mogelijk. Daarmee biedt de UCPA 203 ideale bouwvorm voor compacte toepassingen, zonder in te leveren op gebruiksgemak en lagering.
Via onderstaande opties kun je contact met ons opnemen en je vraag stellen.