 
                     
                     
                     
                         
                         
                        Via onderstaande opties kun je contact met ons opnemen en je vraag stellen.
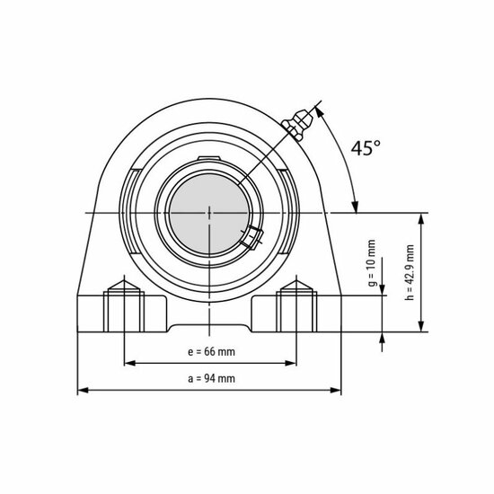
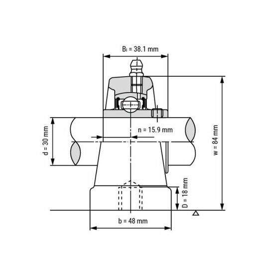
De UCPA 206 is een staand lagerblok brede montage voeten. Het lagerblok bestaat uit een UC206 insertlager asgat 30 mm in een smal P206 huis van gietijzer. Door het ingekorte ontwerp en de bevestiging via twee getapte gaten in de onderzijde is dit lagerblok geschikt voor toepassingen met beperkte ruimte of beperkte toegankelijkheid aan de bovenzijde.
Het UC lager kan statische uitlijnfouten opvangen tot een hoek van 2° zonder extra belasting. De binnenring is breder en voorzien van twee stelschroeven, waarmee een stevige klemming op de as vast gedraaid kan worden.
Het lager heeft een dubbele afdichting en beschermt het lager tegen vuil. Voor extra onderhoud is een smeernippel aanwezig waarmee nasmering eenvoudig mogelijk is. De UCPA 206 is geschikt in aandrijf systemen, verwerkingslijnen en situaties waar een standaard staand lagerblok niet past maar waar toch stevige ondersteuning vereist is.
Via onderstaande opties kun je contact met ons opnemen en je vraag stellen.