 
                     
                     
                     
                         
                         
                        Via onderstaande opties kun je contact met ons opnemen en je vraag stellen.
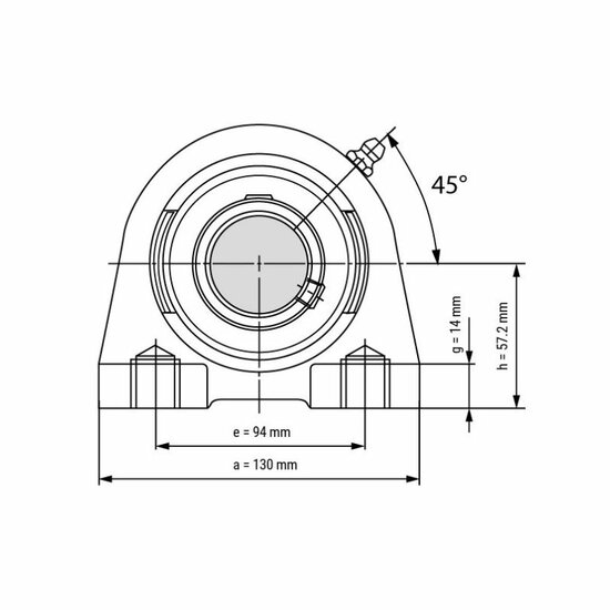
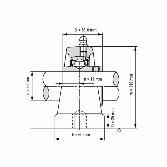
De UCPA 210 is een lagerunit met compacte voetmontage, voorzien van een UC210 insertlager (asgat 50 mm) in een verkort P210 huis van gietijzer. Door het smalle ontwerp en de bevestiging via twee getapte gaten in de onderzijde is dit lagerblok geschikt voor installaties met beperkte ruimte of waar een vlakke bovenkant functioneel is.
Het insertlager vangt statische uitlijnfouten tot een hoek van 2° graden op, wat geen spanningen in het lager oplevert. De verlengde binnenring met twee stelschroeven borgt de as stevig, ook bij wisselende draairichtingen of vibraties.
Voorzien van dubbele afdichtingen en een smeernippel blijft het lager beschermd tegen vervuiling en kan indien nodig worden nagesmeerd bij periodiek onderhoud. Het staande lagerblok wordt gebruikt in toepassingen waar een stabiele as ondersteuning vereist is een compacte bouwvorm, zoals in compacte industriële machines of transportlijnen.
Via onderstaande opties kun je contact met ons opnemen en je vraag stellen.