UCT 202 - IBB spanlagerblok 15 mm

Artikelnummer: 995.02263
IBB
UCT 202 - IBB spanlagerblok 15 mm UCT 202 - IBB spanlagerblok 15 mm UCT 202 - IBB spanlagerblok 15 mm
UCT 202 - IBB spanlagerblok 15 mm
UCT 202 - IBB spanlagerblok 15 mm
UCT 202 - IBB spanlagerblok 15 mm

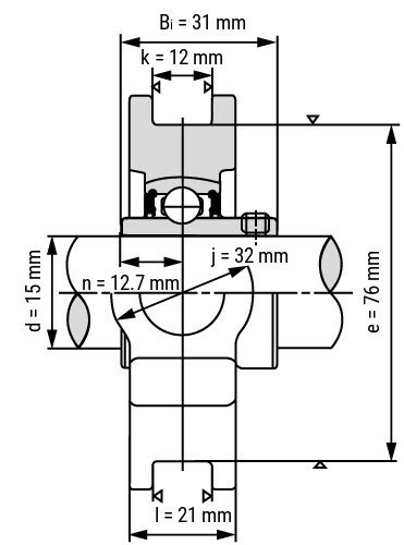
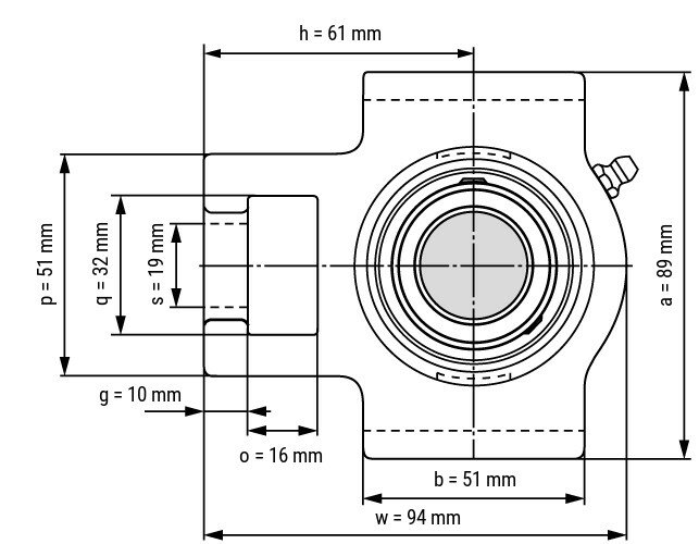
Gietijzer spanlagerblok 15 mm met twee stelschroeven

  • Minimale orderwaarde € 50,- excl.
  • Voor 16:00 besteld = vandaag verzonden
  • Gratis verzending van € 75,00 excl. btw
  • Bestellen op rekening
Heeft u een vraag over dit product?

Via onderstaande opties kun je contact met ons opnemen en je vraag stellen.

Bel ons

Omschrijving

UCT 202 - spanlagerblok 15 mm

Merk: IBB
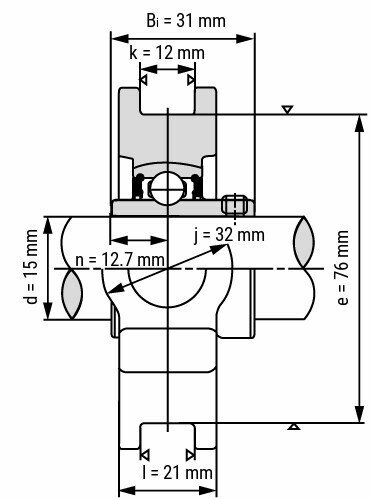
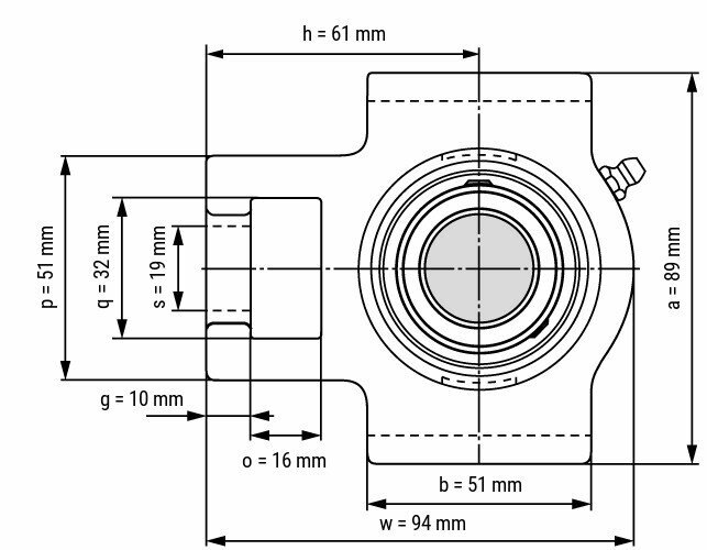
Gietijzer spanlager met 1 montagegat en sleuf (T 204).
Het inbouwlager (insert) heeft een verlengde binnenring met twee stelschroeven.
Inbouwlager = UC 202

  • Equivalenten: TUJ 15 TF (SKF), UCT202-J7 (FAG), UCT202N (SNR), UCT202D1 (RHP)
  • Geschikt voor montage op vlakke oppervlakken, hoge radiale belastingen en is schokbestendig
  • De behuizing is gemaakt van gietijzer en daardoor voordelig en robuust
  • Statische uitlijningsfouten kunnen tot een hoek van 2° worden gecompenseerd
  • Het UC lager wordt met twee inbusbouten (M6) op de as bevestigd
  • Gesmeerd voor de gehele levensduur: onder normale bedrijfsomstandigheden is nasmeren niet nodig

Specificaties

Merk
IBB
Type lagerblok
Spanlagerblok
Materiaal
Gietijzer
Asdiameter mm (d)
12
Statisch draaggetal (N)
6700
Dynamisch draaggetal (N)
12800
Stelschroeven
M6 (inbussleutel)
Statische uitlijningscompensatie
Zelfuitlijnend tot 2°
Smering
Voor zijn gehele levensduur gesmeerd.
Temperatuur
-20°C / +100°C
Gewicht
780 g
Neem contact op

Via onderstaande opties kun je contact met ons opnemen en je vraag stellen.