UCT 206 - IBB spanlagerblok 30 mm

Artikelnummer: 995.00863
IBB
volume-korting
UCT 206 - IBB spanlagerblok 30 mm UCT 206 afmetingen tekening vooraanzicht UCT 206 afmetingen tekening doorsnede
UCT 206 - IBB spanlagerblok 30 mm
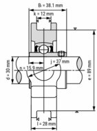
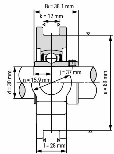
UCT 206 afmetingen tekening vooraanzicht
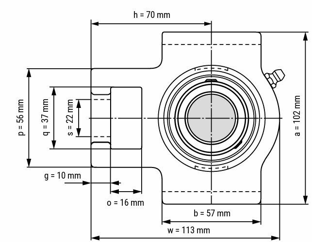
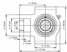
UCT 206 afmetingen tekening doorsnede

Gietijzer spanlagerblok UCT206 met twee stelschroeven

9,13
per stuk (excl. btw)
Op voorraad Levertijd: 3 a 4 dagen
Staffelprijzen
Aantal Prijs
1 € 9,13
80 € 7,94 13% Korting
160 € 6,75 26% Korting
  • Minimale orderwaarde 50,- excl.
  • Voor 16:00 besteld, vandaag verzonden
  • Gratis verzending vanaf 75,- excl.
  • Bestellen op rekening mogelijk
Heeft u een vraag over dit product?

Via onderstaande opties kun je contact met ons opnemen en je vraag stellen.

Bel ons

Omschrijving

De UCT 206 is een spanlagerblok en wordt ook wel genoemd take-up lagerblok of hanglagerblok. Het spanlagerblok bestaat uit een UC206 lager dat in een T206 lagerhuis is gemonteerd, met een asgat van 30 mm. Dit lagerblok wordt vaak toegepast in een take-up frame. In dit frame valt het lagerblok in twee sleuven, zodat de aspositie kan worden versteld. Aan de open onderzijde zit een centrale stelbout om de aspositie in te stellen. Na het afstellen wordt het lagerblok vastgezet.

Het lagerhuis zorgt voor een stabiele montage, helpt bij een correcte uitlijning van de as en beschermt het lager tijdens gebruik. Het insertlager kan statische uitlijnfouten tot 2° opvangen. De binnenring steekt uit en heeft twee stelschroeven die met een inbussleutel (M6) op de as worden vastgezet. Het UC lager is uitgevoerd met een dubbele afdichting die bescherming biedt tegen stof en vuil.

Specificaties

Merk
IBB
Type lagerblok
Spanlagerblok
Materiaal
Gietijzer
Asdiameter mm
30 mm
Tolerantie voor binnen-Ø
0,018/0 mm
Statisch draaggetal (N)
11300
Dynamisch draaggetal (N)
19500
Stelschroeven
M6
Statische uitlijningscompensatie
Zelfuitlijnend tot 2°
Smering
Voor zijn gehele levensduur gesmeerd.
Temperatuur
-20°C / +100°C
Gewicht
1.3 kg
Neem contact op

Via onderstaande opties kun je contact met ons opnemen en je vraag stellen.